Ideal Warehouse Innovations

Laminated Dock Bumpers, Vertical, Rubber/Steel, 11" W x 4" D x 20" H

Model: KH709

Mfr. No.: 22-1100

  • Laminated Dock Bumpers, Vertical, Rubber/Steel, 11" W x 4" D x 20" H Seaboard Timber Mart

Colour, sizing or style depicted in some photos may not be exactly as described.
Please check your product description carefully before placing your order.

Green Edge

$353.00 / Each

In Stock - Off-Site Warehouse

Manufacturer's Warranty

  • 3 Years

Material

Rubber/Steel

Style

Vertical

Depth

4"

Overall Width

11"

Overall Height

20"

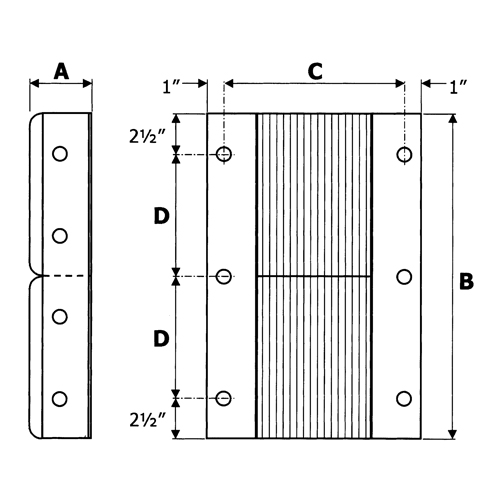
Dimensions A

4"

Dimensions B

20"

Dimensions C

11"

Dimensions D

7.5"

Weight

75 lbs.

  • One of the strongest forms of loading dock protection
  • Used in docking areas where excessive friction from up and down movement occurs, air-ride trailers, yard jockeys, etc.
  • 3/8" thick, heavy duty, high carbon, "floating" steel face plate withstands abrasive friction of air-ride trailers
  • Enclosed design prolongs rubber life
  • 3-year warranty
  • Made with recycled tire rubber